
产品概述 返回TOP
产品特点 返回TOP
Transient protection for high-speed data lines
IEC 61000-4-2(ESD) ±20kV (Air)
±20kV (Contact)
IEC 61000-4-5 (Surge) 3A (8/20μs)
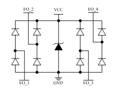
For 5V and below operating voltage
Small package (2.9mm*2.8mm*1.4mm)
Protects four data lines
Low capacitance: 0.7pF Typical (I/O-GND)
Low leakage current: 0.1μA @ VRWM (Typical)
Low clamping voltage
Each I/O pin can withstand over 1000 ESD strikes for ±8kV contact discharge
Green Part
应用范围 返回TOP
Video Graphics Cards
Desktops, Servers and Notebooks
IEEE 1394 Ports
USB2.0 Power and Data Line Protection
Display Ports
SIM Ports
技术规格书(产品PDF) 返回TOP
需要详细的PDF规格书请扫一扫微信联系我们,还可以获得免费样品以及技术支持!

ESD | ||||||||||
Part Number | Port Type | Channels | Direction | Vrwm (V) | Cj(pF) | ESD(kV) | Ipp (A) | Vc@1A (V) | Ppk (W) | Package |
DC IN | 1 | Uni | 12 | 150 | 30 | 15 | 16 | 350 | SOD323 | |
DC IN | 1 | Uni | 5 | 350 | 30 | 25 | 9 | 350 | SOD323 | |
RJ4 | ||||||||||